Startseite
Schlaitz
Startseite
Über uns
Fachgebiete
GWRA Profen
GWRA Schleenhain
TW-Uehlfeld
FaM
Lichtenberg
Prozesswasser
Rundsandfang
Schlaitz
Kunduz
Biocompounds
Cammin
Eilenburg
Papier Karlsruhe
Panitzsch
Düsseldorf
Bernburg
Nordhausen
Kontakt
Impressum

Verfahrenstechnik


Auch außerhalb des Neubaues einer Anlage sind planerische Überlegungen vielfach angebracht.


So führen Umstellungen in der Produktion oder die Weiterentwicklung des Standes der Technik zu neuen Anforderungen an die Prozessführung in den Anlagen. Die technische Entwicklung unserer Zeit erlaubt es, viele Prozesse sicherer, einfacher und/oder billiger zu gestalten.


Dazu bieten wir unseren Kunden umfassende verfahrenstechnische Optimierungsmaßnahmen vom Einzelprozess bis hin zur Gesamtanlage an. Der Kern- punkt der verfahrenstechnischen Planung ist dabei die ganzheitliche Betrachtung des Prozesses um so die größtmöglichen Synergieeffekte zu erreichen.

  

VertUm GmbH

Ingenieurbüro für Verfahrens- und Umwelttechnik

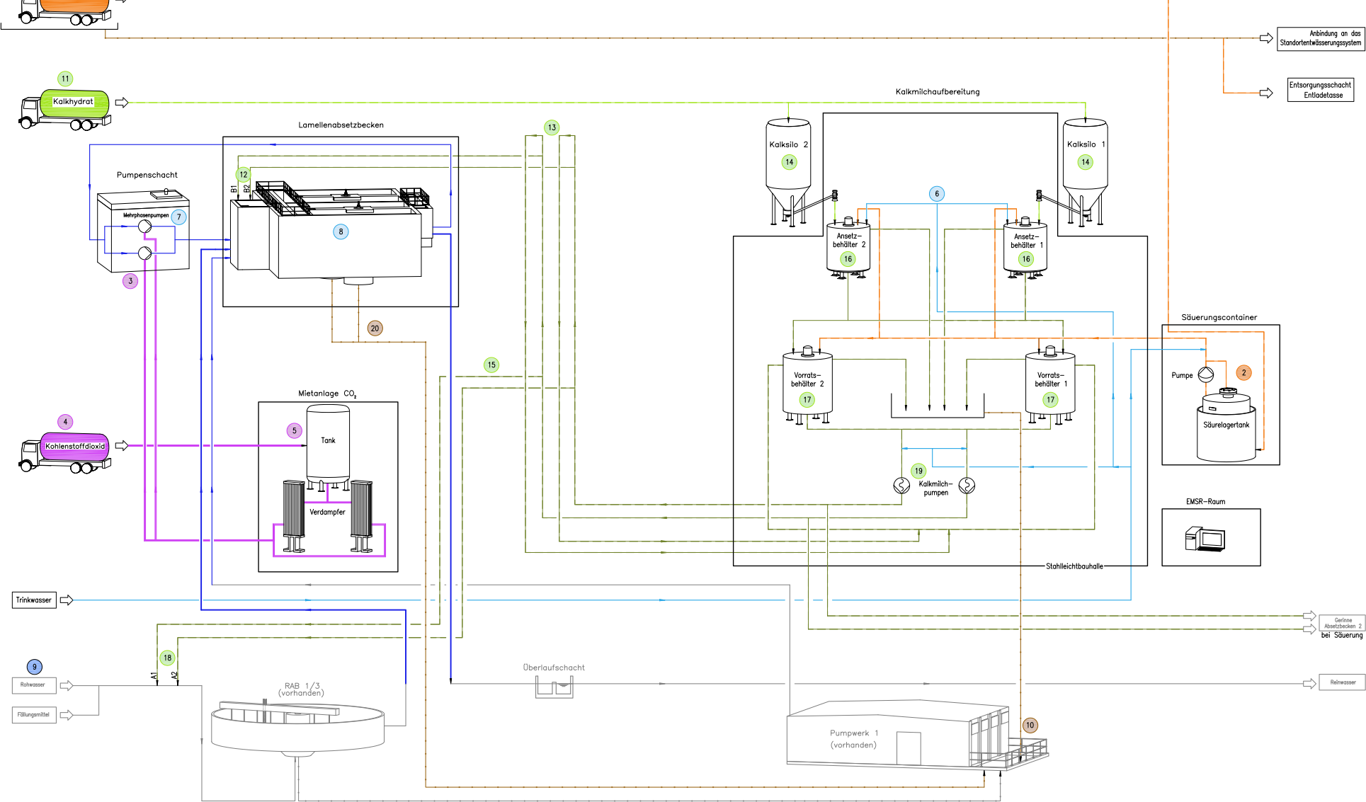
zur Referenz: Schlaitz

Details